產品分類導航
您現在的位置:首頁-產品中心-迷你型-詳細內容
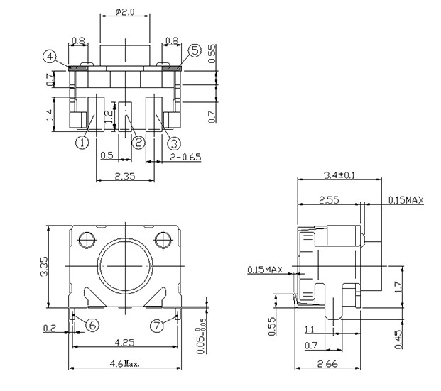
TS6230-3.5
日期:2012/8/12 閱讀:8300次
產品簡介:
尺寸: 4.5X2.56mm 產品分類: 輕觸開關 - A系列 / 迷你型 應用 ※ 便攜式設備 ※ 手機和掌上電腦 ※ 各種數碼設備的操作 特點 ※ 側邊類型可以在PCB上側按 ※ 用12mm寬的編帶包裝
產品介紹
相關產品推薦

- TSTP4028U-H

- TSG6040-7.4

- TS3737-0.35

- TSTP3131-0.7
