聯系我們|在線定制|繁體|English開關插座、連接器生產廠家-廣東省歷合電子有限公司歡迎您的光臨!
全國服務熱線:
0757-26363652
客戶都在找:輕觸開關撥動開關撥碼開關微動開關AC電源插座
AC電源插座
DC電源插座
撥動開關
船型開關
微動開關
輕觸開關
撥碼開關
耳機插座
按鈕開關
自鎖開關
卡儂插座
日期:2012/11/8 閱讀:3019次
產品簡介:
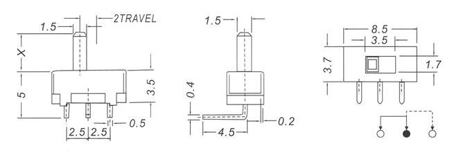
撥動開關,滑動開關,東莞撥動開關,3A5A大電流撥開關,直發器圈發器撥動開關,玩具開關,兩檔撥三檔四檔五檔六檔七檔撥動,SKSS撥動,直柄撥動橫柄撥動,側按撥動,微型撥動
在線免費獲取定制方案
全國服務熱線:0757-26363652
公司地址:中國 廣東 佛山市順德區 杏壇鎮智富園29棟701
電話:0757-26363652
傳真:0757-26363652
郵箱:
Q Q:
手機:13712710464
24H服務熱線
137-1271-0464
版權所有Copyright©廣東省歷合電子有限公司備案號:粵ICP備12057418號