產品分類導航
您現在的位置:首頁-產品中心-貼片式-詳細內容
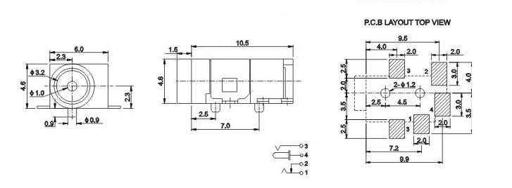
DC-094
日期:2012/10/12 閱讀:7359次
產品簡介:
額定負荷Rating:DC 50V 0.5A 接觸電阻Contact Resistance:50mΩMax 絕緣阻坑Insulation Resistance:100MΩMin 耐高壓Withstand Voltage:AC 250V 1Min 焊接溫度 Soldering Temper:260±5℃5s 機械壽命Mechanical:10000次 電氣壽命Electrical Life:5000次 適用溫度 Ambient Temper Used -25℃ to 85℃ 適用濕度Ambient Humidity Used 85%RH 插拔力 Operating Force 3-30N
產品介紹
相關產品推薦

- DC-053

- DC-098

- DC-096

- DC-094
